newsunny logo
shinko logo
 
 
首页
品牌列表
联系神钢shinko
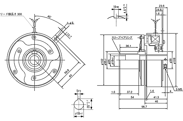
通轴型shinko_sinfonia_神钢电机离合器<SF-400/BMS-AG>

 

形 式

SF-400/BMS-AG

静摩擦トルク   Nm

28

定格電圧   DC-V

24
消費電力         W(at75逤)
8
質量       kg
2.4

单位 : mm

電源箱 DMP-20/24A
制御器 FMP-10DA
EMP-20DB
CSM-55DB
CMPH-100/4HA 



通轴型shinko_sinfonia_神钢电机离合器<SF-400/BMG>

 

形 式

SF-400/BMG

静摩擦トルク   Nm

28

定格電圧   DC-V

24
消費電力         W(at75逤)
8
質量       kg
2.3

单位 : mm

電源箱 DMP-20/24A
制御器 FMP-10DA
EMP-20DB
CSM-55DB
CMPH-100/4HA 

上海纽西力贸易发展有限公司 Shanghai Newsunny Trade Development Co., Ltd. ©版权所有