newsunny logo
shinko logo
 
 
首页
品牌列表
联系神钢shinko

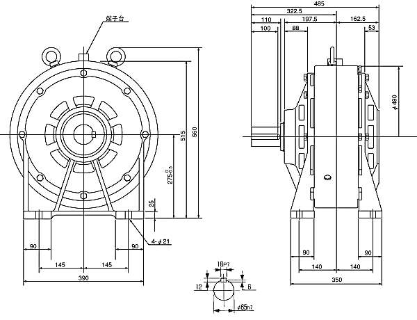
自然冷却式<POB-80>

 

形 式

POB-80
定格トルク    Nm 800

定格電圧    DC-V

24
消費電力    W(at75℃) 110

質量              kg

260

単位 : mm

 

关闭窗口


上海纽西力贸易发展有限公司 Shanghai Newsunny Trade Development Co., Ltd. ©版权所有

关于神钢shinko
品牌列表
联系神钢shinko