newsunny logo
shinko logo
 
 
首页
品牌列表
联系神钢shinko
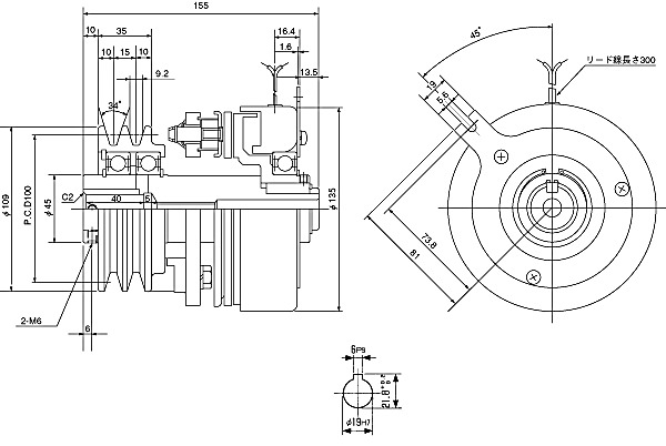
带V形轮型的电磁离合/shinko_sinfonia_神钢电机制动器
<ES-500-A2-19J>

 

形式

ES-500-A2-19J

使用shinko_sinfonia_神钢电机离合器型号
SF-500/BMP
Vベルト溝
c
プーリ呼び径  φ
100
静摩擦トルク   Nm
70

定格電圧   DC-V

24
消費電力         W(at75℃)
23

質量       kg

6.3

单位 : mm

电源箱 DMP-63/24A
制御器 TMP-40D
EMP-70DB
CSM-55DB
CMPH-250/4HB





带V形轮型的电磁离合/shinko_sinfonia_神钢电机制动器
<ES-500-B2-24J>

 

形式

ES-500-B2-24J

使用shinko_sinfonia_神钢电机离合器型号
SF-500/BMP
Vベルト溝
B形2本
プーリ呼び径  φ
150
静摩擦トルク   Nm
70

定格電圧   DC-V

24
消費電力         W(at75℃)
23

質量       kg

8.5

单位 : mm

电源箱 DMP-63/24A
制御器 TMP-40D
EMP-70DB
CSM-55DB
CMPH-250/4HB




带V形轮型的电磁离合/shinko_sinfonia_神钢电机制动器
<ES-500-B2-28J>

 

形式

ES-500-B2-28J

使用shinko_sinfonia_神钢电机离合器型号
SF-500/BMP
Vベルト溝
B形2本
プーリ呼び径  φ
150
静摩擦トルク   Nm
70

定格電圧   DC-V

24
消費電力         W(at75℃)
23

質量       kg

8.5

单位 : mm

电源箱 DMP-63/24A
制御器 TMP-40D
EMP-70DB
CSM-55DB
CMPH-250/4HB

上海纽西力贸易发展有限公司 Shanghai Newsunny Trade Development Co., Ltd. ©版权所有