newsunny logo
shinko logo
 
 
首页
品牌列表
联系神钢shinko
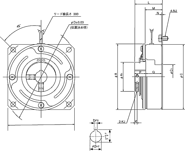
shinko_sinfonia_神钢电机制动器<ERS-260A/FMS>

 

形  式

ERS-260A/FMS

静摩擦トルク   Nm
7

定格電圧   DC-V

24
消費電力  W(at75℃)
10

質量             kg

0.70


A 68
A 30.1
C 67
C1 25
D 88.87
I 67

 



L 50
M 31
N 1.6
P 20
Q 30

 


K 4.4
KJ M5
NJ P.C.D 79.4
ボルト M4×12

d 12
b 3
t 13

 

制御器

FMPR70/24D


上海纽西力贸易发展有限公司 Shanghai Newsunny Trade Development Co., Ltd. ©版权所有